
Simkawa
NSFA Lead Screw Nut
The NSFA lead screw nut delivers smooth, precise, and reliable linear motion. Ideal for industrial automation, CNC machines, and precision equipment.
Choose options
Structural Features
In the end-plug type circulation nut, the steel balls pass through the inverters (return devices) at both ends and the return channel located in the nut shell, and return to the circulation starting point along the nut guide rail.


simkawa drive system
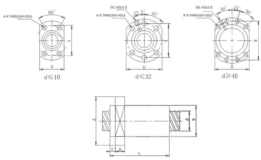
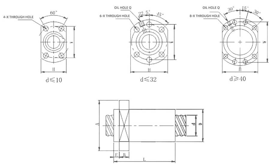
Structures of NSFA Lead Screw Nut
Contact us by clicking the button below to get the latest quote for NSFA lead screw nut system.
simkawa drive system
Specifications of NSFA Lead Screw Nut
Contact us by clicking the button below to get the latest quote for NSFA lead screw nut system.
Nut Selection
The selection of nuts should be based on comprehensive consideration of factors such as accuracy, size, flange type, delivery time, etc., and the appropriate type of nuts should be selected.
Matching Ball Screw Model:
1205G 2005G 3210* 5010# 1210* 1605* 1610* 1616* 2010* 2020G 2510* 2525* 3220* 3232* 4010* 4020* 5020* 5050* 1620* 4040*
Notes:
#: SCR heavy-duty screw,
*: SSR light-duty silent screw,
G: Both types available.

NSFA
End Plug Nut Structure
End-plug Circulating Nut Structure
In an end-plug circulating nut, the steel balls return to the starting point of the circulation along the nut guide rails via inverters (return devices) at both ends and a return channel within the nut housing.
Cycling Characteristics
The entire system's movement forms a cycle consisting of several revolutions, and a nut is typically designed for only one complete cycle.
Applicable Design Scenarios
Due to the characteristics of this circulating design, end-plug circulating nuts are ideal for mechanical designs requiring high-speed operation and quiet operation.
End Plug Circulation
End plug lead screw nut ensures smooth and precise linear motion. Steel balls circulate through end deflectors and internal return channels, ideal for high-speed and low-noise applications.
| Model | NSFA |
| Circulation method | End-plug Circulating |
| Nut type | Single Nut |
| Features | Silent high-speed series, suitable for high-speed feeding |
We're Here to Help
Provide you with product consultation and technical support!




