


Simkawa
FSDC Ball Screw Linear Drive
Reliable FSDC series linear drive with ball screw transmission. Features low backlash, stable motion, and high load capacity for industrial automation.
Choose options
FSDC Ball Screw Linear Drive Features
- Rolling pairs are used, which have low friction and high precision during transmission;
- High axial and radial stiffness, strong anti-deformation ability;
- Transmission efficiency of more than 90%, high energy efficiency;
- The bearing balls and guide rails of the ball screw have low wear during sliding and long service life.

simkawa drive system
Specifications of FSDC Ball Screw Linear Drive
Contact us by clicking the button below to get the latest quote for FSDC ball screw linear actuator system.
Ball Screw Rod Material
| Material | Grinding Grade | Rolling Grade | Heat Treatment Method |
| Screw | 50CrMo4 | S55C | High frequency quenching HRC58~62° |
| Nut | SCM420H | SCM420H | Carburizing treatment HRC58~62° |
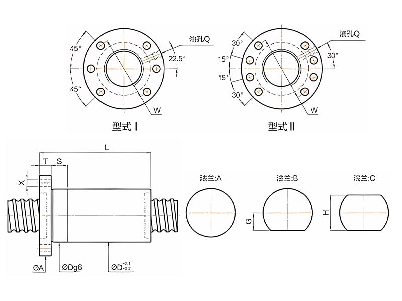
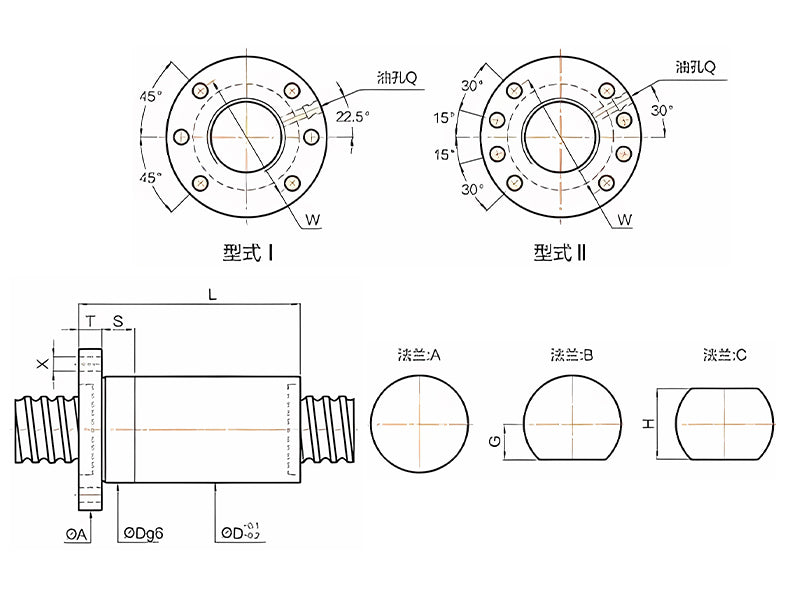
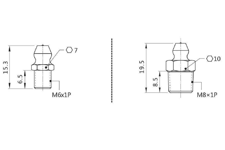
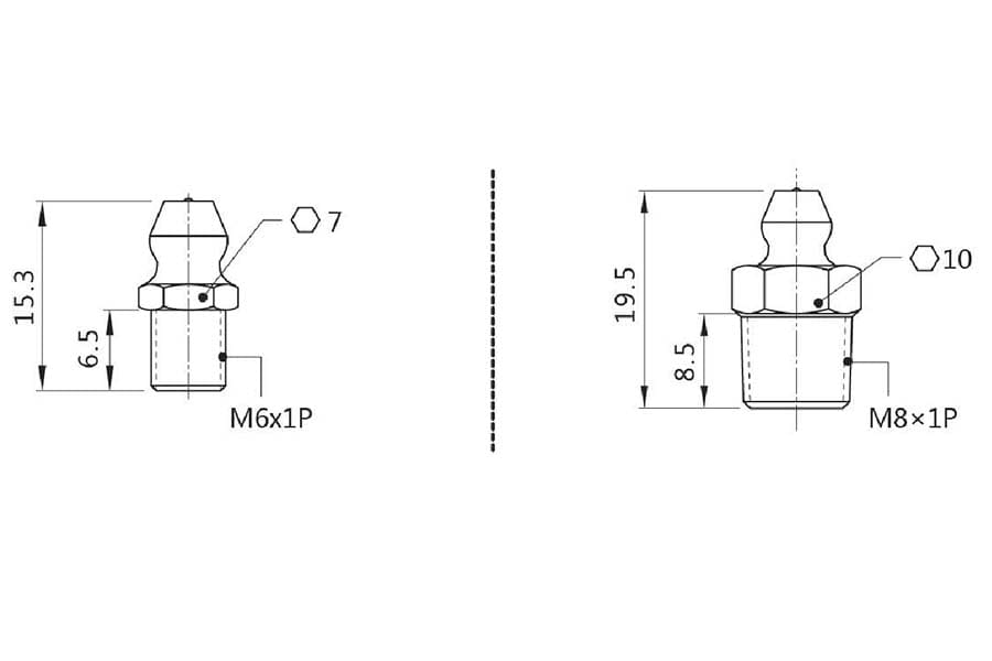
FSDC Ball Screw Standard Configuration

Dust Seal

Grease Nozzle

Oil Pipe Joint

Braking Device
Since ball screws do not have a self-locking function, especially when installed vertically, a brake device must be set to prevent the load from sliding down. Common brake devices include
- Electromagnetic brakes
Electromagnetic brakes apply braking force through electromagnetic force, usually automatically when the motor stops, ensuring that the screw remains in the current position.
- One-way overrunning clutch
The one-way overrunning clutch allows the screw to rotate freely in one direction and locks in the opposite direction to prevent the screw from reversing.
We're Here to Help
Provide you with product consultation and technical support!




