



Simkawa
FFNI Preloaded Ball Screw
Discover high precision FFNI preloaded ball screws for CNC and automation. Zero backlash, smooth motion, and long life—perfect for industrial linear systems.
Choose options
FFNI Series Ball Screw Features
- Preload structure design
The double nut preload structure is adopted to effectively eliminate the axial clearance and achieve high rigidity and high positioning accuracy.
- High-precision transmission
The thread processing is precise and the lead error is small, which is suitable for scenes with high requirements for repeated positioning and response speed.
- Smooth operation and low noise
The optimized raceway curve design ensures that the ball has low noise and vibration during operation, improving the overall comfort and equipment stability.
- High efficiency and low friction
Compared with traditional sliding screws, ball screws have a small friction coefficient and high efficiency, which can greatly improve the energy efficiency performance of the equipment.

simkawa drive system
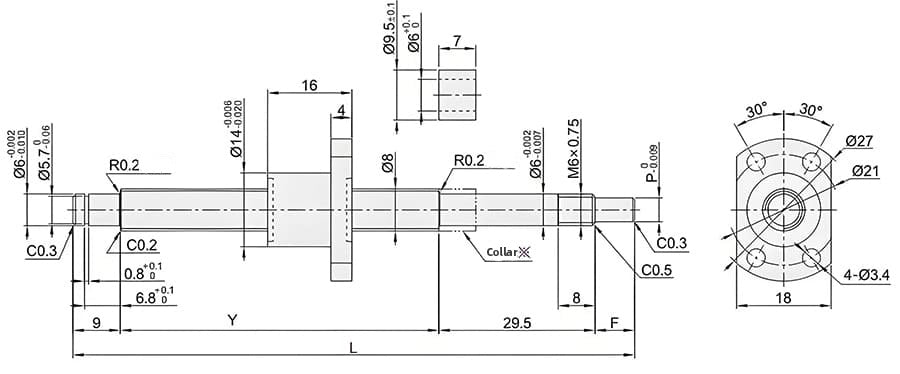
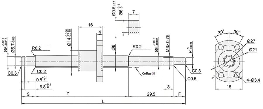
Specifications of FFNI Ball Screw
Contact us by clicking the button below to get the latest quote for FFNI series ball screw drive system.
Lubrication of FFNI Ball Screw
| Lubrication method | Check Interval | Inspection items | Refill or Replacement Interval |
| Automatic intermittent oil supply | Weekly | Oil volume, oil pollution, etc. | Supplement at each inspection |
| Grease | Initial use 2-3 months | Contamination, foreign matter, etc. | Usually replenished once a year |
| Oil bath | Before starting work every day | Oil surface | Replenish during daily inspection |
Installation Form

Fixed-Fixed

Fixed-Sustain

Fixed-Free

Sustain-Sustain
Cold Rolling VS Grinding
- Cold rolling: A milling process that uses extrusion (plastic deformation) between two rollers to roll the thread into a thread shape in one go. It has high processing efficiency, fast delivery and low price. Generally, it can process screws with c7 and c10 precision. It is used for general precision equipment.
- Grinding: The ball screw is ground by a high-precision thread grinder. Generally, it can process c5, c3, c0 precision screws. It is suitable for precision CNC equipment. Such as CNC milling machines, CNC lathes, machining centers, etc.
| Process | Description | Processing accuracy | Applicable equipment | Advantages |
| Cold rolling | A milling process that rolls the thread into shape in one go by squeezing (plastic deformation) between two rollers. | C7, C10 | General precision equipment | High processing efficiency, fast delivery, low price |
| Grinding | Grinding ball screws using high-precision thread grinders. | C5, C3, C0 | Precision CNC equipment (such as CNC milling machines, CNC lathes, machining centers, etc.) | High precision, suitable for precision processing needs |
We're Here to Help
Provide you with product consultation and technical support!




